Skip to content Skip to sidebar Skip to footer

G1000 Pitot Static System

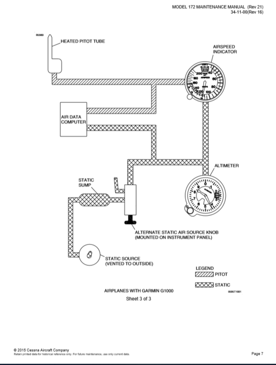
G1000 pitot static system. A blocked pitot tube will only affect the airspeed indicator. Displays altitude information gathered by the pitot-static system and computed by the Air Data Computer. Electronic flight instrument system EFIS glass cockpit Garmin G1000 for example.

Your airspeed will initially not increase as you accelerate down the runway. To purge the static system proceed as follows. Low point of the pitot system directly behind the center console and underneath the cabin floor is used to trap and then drain water from the system.

GDC 74A The GDC 74A Air Data Computer processes information from the pitotstatic system aswell astheoutside air temperature OATsensor. If the pitot tube and its drain hole are blocked then as the aircraft climbs the trapped air in the pitot system will be compared against decreasing air. 1 Ensure freedom from entrapped moisture and restrictions.

If you have an autopilot with a separate static system such as the KAP-140 there will be additional static ports. Affected Instruments could include the Airspeed Indicator ASI Vert. The GDC computer replaces the internal components of the pitot-static system in traditional aircraft instrumentation.

Elements Primary flight display PFD AI HI ASI ALT VSI. The pitot-static system uses a heated total pressure pitot head mounted on the lower surface of the left wing external static ports mounted on the left side of the forward fuselage and associated plumbing to connect the GDC 74A Air Data Computer and the conventional pitot-static instruments to the sources. Pitot static system and instruments.

G1000 has no pitot static information So I fly a T182T and when I took off this morning on the PFD it has no airspeed altitude VSI or OAT. GRAND CARAVAN EX SPECIFICATION AND DESCRIPTION UNITS 208B-5265 TO TBD FEBRUARY 2016 REVISION D Cessna Aircraft Company PO. Start studying G1000 PFD.

2 Perform a proof test to demonstrate the integrity of the static pressure system in a manner acceptable to the Administrator. All of the standby instruments such as airspeed and altimeter worked.

Pitot Static System N476ds

Pitot Static System N476ds

Garmin G1000 Tutorial Systems Hardware Youtube

Garmin G1000 Tutorial Systems Hardware Youtube

Garmin G1000 Gfc700 N476ds

Garmin G1000 Gfc700 N476ds

How It Works Pitot Static System Aopa

How It Works Pitot Static System Aopa

Questions From The Cockpit Break Glass In Case Of Emergency General Aviation News

Questions From The Cockpit Break Glass In Case Of Emergency General Aviation News

Ahrs Air Data Computers And Magnetometers

Ahrs Air Data Computers And Magnetometers

Pitot Static Systems

Pitot Static Systems

Pitot Static System Wikipedia

Pitot Static System Wikipedia

Pitot Static System

Pitot Static System

The Airspeed Indicator Aerotoolbox

The Airspeed Indicator Aerotoolbox

Garmin 1000 Senecav Uk

Garmin 1000 Senecav Uk

G1000diagram 0 5 Mb Manualzz

G1000diagram 0 5 Mb Manualzz

2

2

2

2

Maintenance Avionics All Glass Cockpit Redundancy

Maintenance Avionics All Glass Cockpit Redundancy

Garmin G1000 06 01 2011

Garmin G1000 06 01 2011

Garmin G1000 Wikiwand

Garmin G1000 Wikiwand

Ppt Safe Use Of Cockpit Automation Prepared By Michael G Gaffney Mcfi Mgi March 29 2010 Powerpoint Presentation Id 7077646

Ppt Safe Use Of Cockpit Automation Prepared By Michael G Gaffney Mcfi Mgi March 29 2010 Powerpoint Presentation Id 7077646

2

2

Articles Pitot Static System Blockages And Failures Page 7

Articles Pitot Static System Blockages And Failures Page 7

1

1

Fuel System N476ds

Fuel System N476ds

Ahrs Air Data Computers And Magnetometers

Ahrs Air Data Computers And Magnetometers

Garmin G1000 Ground School Microsoft A Is The G1000 Acirc Euro Cent The Garmin G1000 Is An Integrated Flight Management System Fms Including Attitude And Heading Reference Gps Vhf Navigation Pdf Document

Garmin G1000 Ground School Microsoft A Is The G1000 Acirc Euro Cent The Garmin G1000 Is An Integrated Flight Management System Fms Including Attitude And Heading Reference Gps Vhf Navigation Pdf Document

2

2

Cfiai Lesson Plans Flight Instruments

Cfiai Lesson Plans Flight Instruments

2

2

Cfiai Lesson Plans Flight Instruments

Cfiai Lesson Plans Flight Instruments

2

2

Aircraft Pressure Measuring Instruments

Aircraft Pressure Measuring Instruments

1 Pts Standards Exhibits Adequate Knowledge Of The Elements Related To Applicable Aircraft Flight Instrument System S And Their Operating Characteristics Ppt Telecharger

1 Pts Standards Exhibits Adequate Knowledge Of The Elements Related To Applicable Aircraft Flight Instrument System S And Their Operating Characteristics Ppt Telecharger

Introducing The Pitot Static System Instruments Aeroguard Flight Training Center Youtube

Introducing The Pitot Static System Instruments Aeroguard Flight Training Center Youtube

Pitot Static System Define Aviation

Pitot Static System Define Aviation

Dont Fear The Red X Ifr Magazine

Dont Fear The Red X Ifr Magazine

2

2

2

2

1 Pts Standards Exhibits Adequate Knowledge Of The Elements Related To Applicable Aircraft Flight Instrument System S And Their Operating Characteristics Ppt Telecharger

1 Pts Standards Exhibits Adequate Knowledge Of The Elements Related To Applicable Aircraft Flight Instrument System S And Their Operating Characteristics Ppt Telecharger

2

2

The Airspeed Indicator Aerotoolbox

The Airspeed Indicator Aerotoolbox

What Happens When Your Pitot Tube Ices Over Boldmethod

What Happens When Your Pitot Tube Ices Over Boldmethod

Aircraft Pressure Measuring Instruments

Aircraft Pressure Measuring Instruments

Cfi Brief Pitot Static Systems And Flight Instruments Part Iii Learn To Fly Blog Asa Aviation Supplies Academics Inc

Cfi Brief Pitot Static Systems And Flight Instruments Part Iii Learn To Fly Blog Asa Aviation Supplies Academics Inc

2

2

G1000 For Dummies By Michael Bracken

G1000 For Dummies By Michael Bracken

G1000 Basics Youtube

G1000 Basics Youtube

1

1

However moisture may collect at other points of the system.

For airplanes certificated under part 25. Elements Primary flight display PFD AI HI ASI ALT VSI. Learn vocabulary terms and more with flashcards games and other study tools. How exactly does a G1000 system equipped with a GDC 74 air data computer calculate the indicated airspeed that is displayed on the PFD from difference between the total and static pressure ie. Shows aircrafts rate of climb or descent - information. Pitot System - Heated Static System Alternate Static Source Audible Stall Warning System GDL-69A XM Satellite Data Radio. They should be noted in the AFM but in the supplement section referring to the KAP-140 autopilot. Box 7706 Wichita Kansas 67277-7706. In contrast an airplane with a G1000 integrated autopilot GFC-700 the autopilot will share airdata with the G1000 so it will not.


The pitot-static system - sensitive to airspeed altitude and rates of the over-all efficiency of the entire system. Where it says there is a 17 knot tailwind etc. Each person performing the altimeter system tests and inspections required by 91411 of this chapter must comply with the following. To purge the static system proceed as follows. If the pitot tube and its drain hole are blocked then as the aircraft climbs the trapped air in the pitot system will be compared against decreasing air. Elements Primary flight display PFD AI HI ASI ALT VSI. Pitot static system and instruments.

Post a Comment for "G1000 Pitot Static System"